客服热线
公司地址
立即询价 客服热线:13728402719
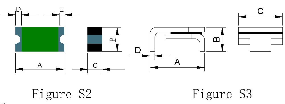
产品尺寸:
产品性能参数:
环境温度电流锐减表:
产 品 特 点
• 所有产品均为无铅产品,符合欧盟2002/95/EC ROHS标准.
• 尺寸小,节约空间及成本.
• 可实现电路的自复保护.
• 快速跳断时间
• 低阻抗
• 适合自动化装配
• 安规认证:UL ,CSA,TUV.
产 品 应 用
• 电脑主板
• IEEE1394接口
• USB接口
• 手机
• 数据通信
• 宽带
• 数码相机
• LCD显示器
• 机顶盒
•充电器
•电池部件